page

Beaver Proof Coil Chain Regular Link (50kg Pail)

Products to compare:
Comparing Products
Unit Description: Each
  • Description
  • Warranty, Return & Exchange Policy
  • Shipping Info

Beaver Proof Coil commercial chain is non-rated chain, manufactured from low carbon steel and is for general purpose use only. “Proof Coil” relates to the number of consistent links in any one length.This chain is not Suitable for any lifting purposes. Lengths include – regular link.

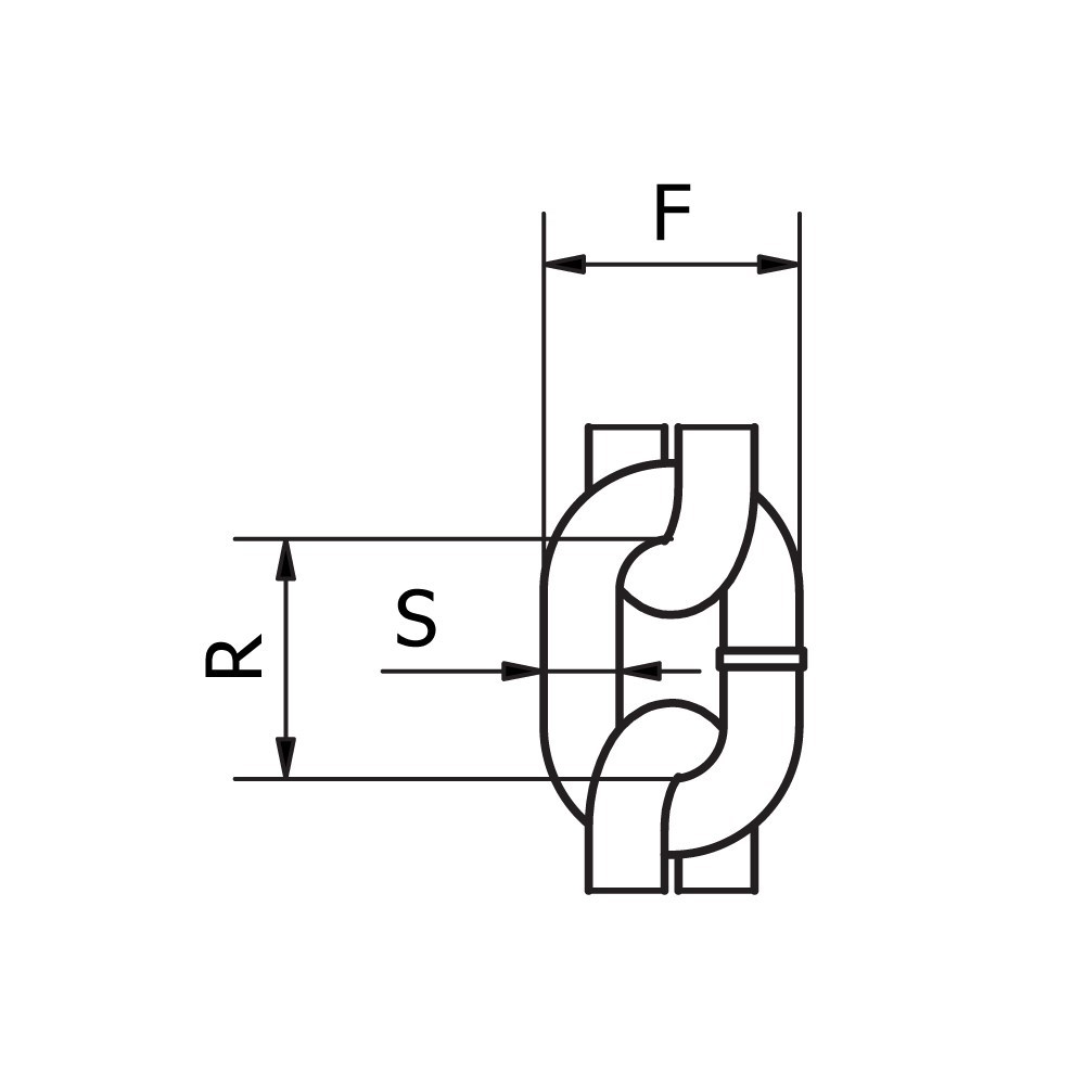
Product code Nominal Size S R F Finish Metres per 50kg
100103PP 3mm 3mm 16.6mm 13.1mm Self Colour 256m/50kg
100203PP 3mm 3mm 16.6mm 13.1mm Electro Galvanised 250m/50kg
100303PP 3mm 3mm 16.6mm 13.1mm Galvanised 250m/50kg
100104PP 4mm 3.9mm 20mm 15.6mm Self Colour 173m/50kg
100304PP 4mm 3.9mm 20mm 15.6mm Galvanised 175m/50kg
100105PP 5mm 4.7mm 25mm 18mm Self Colour 101.5m/50kg
100305PP 5mm 4.7mm 25mm 18mm Galvanised 120m/50kg
100106PP 6mm 6mm 27mm 24mm Self Colour 64.5m/50kg
100306PP 6mm 6mm 27mm 24mm Galvanised 64.9m/50kg
100108PP 8mm 7.6mm 35.8mm 29.2mm Self Colour 39m/50kg
100308PP 8mm 7.6mm 35.8mm 29.2mm Galvanised 40.6m/50kg
100110PP 10mm 9.5mm 43.4mm 34mm Self Colour 24m/50kg
100310PP 10mm 9.5mm 43.4mm 34mm Galvanised 25m/50kg
100113PP 13mm 13mm 50mm 46mm Self Colour 14.85m/50kg
100313PP 13mm 13mm 50mm 46mm Galvanised 14.7m/50kg

Metres per pail are subject to + or - 10% on actual metreage.

For more information on our materials handling range, please contact our Customer Care team.

Warranty:

Returns will be accepted for faulty or defective goods and any other non-excludable obligations of Bunzl Safety set out in the Trade Practices Act 1974 or similar State and Territory legislation.

Returns are subject to customer following Bunzl Safety’s recommended care and maintenance instructions which can be found on the garments swing tag. Bunzl Safety found to be faulty will be replaced at no cost.

Items that are sourced from 3rd party distributors will carry their own manufacturer’s warranty.

Returns/Exchange Policy:

Bunzl Safety to be notified within 7 days from receipt of order for any products that are to be returned/exchanged.

Before any items are returned the following steps need to be actioned:

  • Complete Return Authorisation Form (RAF)
  • Obtain a Return Authorisation Number
  • Forward the garments with the (RAF) form to the specified Worksense branch
  • Goods will be inspected and credited off your account once approved

Please Note: Bunzl Safety must approve all returns before they are forwarded back to the designated branch. These authorised returns must be freight prepaid and will only be accepted if they are in a saleable condition. Products specifically purchased, manufactured, machined or cut to size or to your company’s specification are not returnable unless prior approval has been given.

Shipping is free for orders over $300 ex GST. All our products are despatched from our warehouses located throughout Australia.

Orders being delivered throughout Australia have a delivery charge of $15 ex GST. This will be confirmed at checkout.

For overseas orders, please send your enquiry to customercare@bunzlsafety.com.au

Please note that the metric system is used for all forms of measurement for this product.

Recently Viewed

Loading Icon
No Recently Viewed Products

Log In To View
Your Prices

Visa Logo Mastercard Logo
About Bunzl Safety and Lifting

Bunzl Safety and Lifting offers an integrated approach to the selection, supply, service, and replacement of safety products, resulting in our ability to manage the complete life cycle of your personal and workplace safety requirements. Bunzl Safety and Lifting is a leading manufacturer of safety products, we provide the very best in workwear, corporate wear, PPE, footwear, materials handling, load restraint, and recovery,height safety, and site safety. We are also a leading supplier of some of the best industrial safety brands on the market, including Mack, Ninja, Contego, Boomerang, Beaver, B-Safe, WS Workwear, Frontier, Black Rat, Robertsons, 3M, Honeywell, Ansell, Bolle Safety, DuPont, Donaghys, MSA, Moldex, Steel Blue, Oliver, uvex, Sqwincher, MaxiFlex, DNC Workwear, Mayo Hardware, Gunnebo Industries, Skylotech and Blundstone. We also offer a range of services including product specialisation and consolidation, custom embroidery and branding, lifting equipment and inspections, NATA Accredited testing and services, height safety installed systems and training, managed inventory, eCommerce and digital solutions, clothing fitouts and yearly uniform issues, ethical sourcing, Indigenous Engagement, and environmental responsibility. We have an Australia-wide network of branches that ensures fast shipping across the country.

Bunzl Brands & Operations Pty Ltd (BBO) located at 55 Sarah Andrews Close Erskine Park NSW 2579 quality scope covers: manufacturing, importing, wholesaling, repairing and testing of lifting, rigging equipment, winches, hoists and materials handling products. The manufacture of synthetic slings and webbing products including load restraint and height safety equipment. Manufacture, import, wholesale and distribution of PPE products, workwear and hand tools. Design and development of products and services and the provision of mechanical testing services.