page

Beaver Lifting Collared Eyebolts with UNC Thread

Products to compare:
Comparing Products
Unit Description: Each
Downloads
Data Sheet
  • Description
  • Warranty, Return & Exchange Policy
  • Shipping Info

Beaver lifting eyebolts and eyenuts come in a range of threads, including BSW, UNC, and Metric, and are predominately used for lifting applications. This collared eyebolt complies to AS 2317.

Product Code Size (inches) WLL Transverse Load Tonne Finish Weight
360010 3/8" 0.25t 0.06 Self Colour 0.06kg
360012 1/2" 0.4t 0.1 Self Colour 0.15kg
360016 5/8" 0.8t 0.2 Self Colour 0.27kg
360019 3/4" 1.4t 0.4 Self Colour 0.54kg
360022 7/8" 2t 0.5 Self Colour 0.85kg
360025 1" 2.5t 0.62 Self Colour 1.13kg
360032 1-1/4" 5t 1.25 Self Colour 2.37kg
360038 1-1/42" 7t 1.75 Self Colour 3.12kg

It is recommended that all eyebolts used for lifting be of forged steel, and be equipped with shoulders, or collars. The plain or shouderless eyebolt is fine for vertical loading but as soon as it is loaded at an angle it is subjected to bending and the load it can safely carry is reduced.

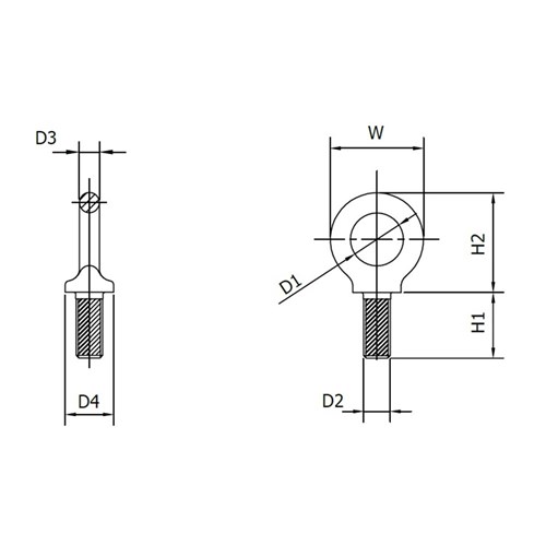
Product Code Size (inches) W H1 H2 D1 D2 D3 D4
360010 3/8" 33 9 36 15 9.53 9 22
360012 1/2" 44 11 48 20 12.7 11 28
360016 5/8" 52 14 58 24 15.88 14 36
360019 3/4" 66 17 73 30 19.05 18 45
360022 7/8" 77 20 84 35 22.23 21 52
360025 1" 85 22 94 39 25.4 23 58
360032 1-1/4" 106 28 117 48 31.75 29 72
360038 1-1/2" 118 33 131 54 38.1 32 81

For more information on our materials handling range, please contact our Customer Care team.

Warranty:

Returns will be accepted for faulty or defective goods and any other non-excludable obligations of Bunzl Safety set out in the Trade Practices Act 1974 or similar State and Territory legislation.

Returns are subject to customer following Bunzl Safety’s recommended care and maintenance instructions which can be found on the garments swing tag. Bunzl Safety found to be faulty will be replaced at no cost.

Items that are sourced from 3rd party distributors will carry their own manufacturer’s warranty.

Returns/Exchange Policy:

Bunzl Safety to be notified within 7 days from receipt of order for any products that are to be returned/exchanged.

Before any items are returned the following steps need to be actioned:

  • Complete Return Authorisation Form (RAF)
  • Obtain a Return Authorisation Number
  • Forward the garments with the (RAF) form to the specified Worksense branch
  • Goods will be inspected and credited off your account once approved

Please Note: Bunzl Safety must approve all returns before they are forwarded back to the designated branch. These authorised returns must be freight prepaid and will only be accepted if they are in a saleable condition. Products specifically purchased, manufactured, machined or cut to size or to your company’s specification are not returnable unless prior approval has been given.

Shipping is free for orders over $300 ex GST. All our products are despatched from our warehouses located throughout Australia.

Orders being delivered throughout Australia have a delivery charge of $15 ex GST. This will be confirmed at checkout.

For overseas orders, please send your enquiry to customercare@bunzlsafety.com.au

Please note that a mixture of the imperial and metric systems are used for specific measurements for this product.

Downloads
Data Sheet

Recently Viewed

Loading Icon
No Recently Viewed Products

Log In To View
Your Prices

Visa Logo Mastercard Logo
About Bunzl Safety and Lifting

Bunzl Safety and Lifting offers an integrated approach to the selection, supply, service, and replacement of safety products, resulting in our ability to manage the complete life cycle of your personal and workplace safety requirements. Bunzl Safety and Lifting is a leading manufacturer of safety products, we provide the very best in workwear, corporate wear, PPE, footwear, materials handling, load restraint, and recovery,height safety, and site safety. We are also a leading supplier of some of the best industrial safety brands on the market, including Mack, Ninja, Contego, Boomerang, Beaver, B-Safe, WS Workwear, Frontier, Black Rat, Robertsons, 3M, Honeywell, Ansell, Bolle Safety, DuPont, Donaghys, MSA, Moldex, Steel Blue, Oliver, uvex, Sqwincher, MaxiFlex, DNC Workwear, Mayo Hardware, Gunnebo Industries, Skylotech and Blundstone. We also offer a range of services including product specialisation and consolidation, custom embroidery and branding, lifting equipment and inspections, NATA Accredited testing and services, height safety installed systems and training, managed inventory, eCommerce and digital solutions, clothing fitouts and yearly uniform issues, ethical sourcing, Indigenous Engagement, and environmental responsibility. We have an Australia-wide network of branches that ensures fast shipping across the country.

Bunzl Brands & Operations Pty Ltd (BBO) located at 55 Sarah Andrews Close Erskine Park NSW 2579 quality scope covers: manufacturing, importing, wholesaling, repairing and testing of lifting, rigging equipment, winches, hoists and materials handling products. The manufacture of synthetic slings and webbing products including load restraint and height safety equipment. Manufacture, import, wholesale and distribution of PPE products, workwear and hand tools. Design and development of products and services and the provision of mechanical testing services.